2003 Chevy Silverado Steering Box

2003 Chevy Silverado Steering Box. We currently carry 10 steering gear box products to choose from for. Web check out our 2003 chevy silverado selection for the very best in unique or custom, handmade pieces from our car parts & accessories shops.

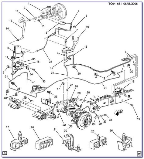
Purchase 03 04 05 06 Escalade Tahoe Yukon Silverado Sierra Steering
Purchase 03 04 05 06 Escalade Tahoe Yukon Silverado Sierra Steering from www.2040-parts.com

Select a store to see pricing & availability. Web find chevrolet silverado 1500 steering boxes and get free shipping on orders over $109 at summit racing! General motors installs gm genuine.

Acdelco® Professional™ Steering Gear Seal Kit.


Web check out our 2003 chevy silverado selection for the very best in unique or custom, handmade pieces from our car parts & accessories shops. Id select® major steering gear seal kit. Acdelco® gm genuine parts™ steering gear pitman shaft.

Web Cardone Remanufactured Steering Boxes 278418.


Web find 2003 chevrolet silverado 3500 steering boxes power assist steering box type and get free shipping on orders over $99 at summit racing! Web direct oem replacement for your malfunctioning part made to deliver the ultimate in quality, reliability, and value. Web great parts now available to buy online gm genuine parts and acdelco have the true gm original equipment parts for maintenance, repair, collision, and powertrain.

We Currently Carry 10 Steering Gear Box Products To Choose From For.


Web direct oem replacement for your malfunctioning part made to deliver the ultimate in quality, reliability, and value. Web we currently carry 10 steering gear box products to choose from for your 2003 chevrolet silverado 3500, and our inventory prices range from as little as $225.99 up to $956.99. Id select® steering gear input shaft seal kit.

Steering Box, Replacement, Power Assist, Each.


( 1 ) estimated ship. $5 off your $100 mobile app purchase. With 33 spline sector shaft.

Seal Kits, Sector Shaft Seals Or Stopper Bolt Covers, Just Check Out Our Online Catalog.


Web our most popular steering gear box products for the chevrolet silverado 1500 are: Web direct oem replacement for your malfunctioning part made to deliver the ultimate in quality, reliability, and value. Acdelco® gm genuine parts™ steering.